Fabrication

  Première page Page suivante Vous avez besoin de JavaScript pour l'impression!  

Tous les objets que vous créez avec le »Designer de Faces Avant« sont fabriqués par nos fraises qui se chargent non seulement du fraisage, mais également du perçage et de la gravure. Les gravures sont colorées avec la couleur choisie. Vous avez le choix entre des délais de fabrication normaux et express.

Les fichiers des faces avant sont en même temps les fichiers pour les fraises.

Pour produire la face avant souhaitée avec les fraises de la Schaeffer AG, les objets dans les fichiers de faces avant sont convertis automatiquement en objets d'un fichier de fraisage. Cela permet de garantir la mise en place à 100 % des spécifications du client.

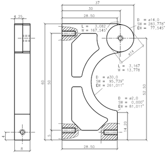
Utilisation de matériaux fournis par le client

Vous pouvez également utiliser le »Designer de Faces Avant« pour faire usiner vos matériaux ou composants comme les couvercles, etc.

Profilé de boîtier BOPLA (style alu)
Conversion de logos

Le »Designer de Faces Avant« permet de réaliser des logos avec plusieurs couleurs. Pour cela, vous devez les définir dans un fichier HPGL afin que nous puissions les associer comme gravure.

Souvent les logos voulus sont disponibles sous forme de graphiques en pixel plus ou moins complexes. Nous nous chargeons volontiers de les convertir en fichiers HPGL pour la gravure moyennant un prix forfaitaire.

Fabrications spéciales

Le »Designer de Faces Avant« vous propose de nombreuses possibilités d'agencement pour la conception des faces avant. Nos machines-outils nous permettent également de fabriquer des éléments machine complexes. Nous nous appuyons sur une longue expérience dans la mise en place de fichiers CAD dans les programmes de fraisage. Nous serons heureux de vous faire une offre sur la base de vos dessins techniques.

Délais de livraison

La durée entre la réception de votre commande jusqu'à son envoi, est en général de 5 jours ouvrés, lorsque vous utilisez les matériaux disponibles dans le »Designer de Faces Avant« et lorsque le montant net de votre commande est inférieur à $ 1,500.

Si votre commande dépasse le montant net de $ 1,500, des délais de fabrication spécifiques sont à prévoir, que nous serons heureux de vous communiquer.

Si vous fournissez votre matériau, le délai de fabrication est décompté à partir de la livraison de votre matériau indépendamment de la date de votre commande.

Nous vous proposons des délais de livraison plus rapides allant de 3 à 1 jours ouvrés moyennant un supplément de 100 % ou 200 %.

Vous avez également la possibilité de choisir un service d'expédition plus rapide. De nombreuses options d'expédition vous sont proposées allant de l'envoi standard à la livraison en 1 jour.